在智能插座、小家電、MCU輔助供電等超低成本場景,工程師最想要的是——"器件越少越好、BOM越低越好、EMI一次過、馬上能量產"。深圳三佛科技提供的FT8441xQ系列(FT8441SQ/FT8441TQ),憑借"內置650V功率MOS+600V超快恢復二極管+高壓啟動+5V固定輸出",把外圍器件壓縮到11顆,官方BOM成本<¥0.28,還能單面板過EMI。下面將從特點、典型電路、管腳定義、訂貨信息、內部框圖到應用說明,為你全面拆解這顆"非隔離黑珍珠"。
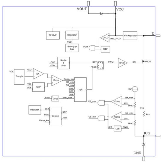
超高壓集成:650V功率MOS+600V續流二極管+高壓啟動電路,三件套合一
固定5V輸出:內部高精度分壓電阻+參考源,省掉TL431、光耦、反饋電阻
大電流能力:
FT8441SQ:250mA連續/300mA峰值,R<sub>=22Ω
FT8441TQ:300mA連續/350mA峰值,R<sub>=16Ω
低待機功耗:60mW(Typ.),輕松滿足CoC V5 Tier-2
EMI友好:40kHz帶頻率抖動+軟驅動,傳導余量>6dB(CISPR22 B)
全保護:UVLO、OVP、OCP、OTP、SCP、LEB,全部自恢復
小封裝:ASOP-7,單面板即可波峰焊,適合超低成本量產


設計提示:VOUT走線遠離D腳,取樣點放在輸出電容正極,與ICGND單點連接。


寬電壓90-264VAC:2μF/W,例5V/0.25A≈1.25W→3μF(1μF+2.2μF)
470-680μH,飽和電流>400mA,CCM深度<50%
≥470μF,低ESR,紋波<50mV
遠離D腳高壓區,與功率地單點連接,避免雜波
頻率抖動已內置,如需更大裕量,π型濾波+L-N對稱布局即可
ASOP-7背面露銅,D腳多打地孔,滿載芯片溫升<10℃
一顆ASOP-7 = MOS + 二極管 + 啟動 + 全保護
11顆器件、單面板、0.28元成本、50ms起機
250-300mA全覆蓋,EMI一次過,無需共模電感
官方Gerber、變壓器、測試報告全開放,即貼即量產
如果你正在尋找5V/250-300mA非隔離電源,又不想為BOM、EMI、交期頭疼,FT8441SQ/FT8441TQ就是答案。深圳三佛科技提供樣品,技術支持。